NBN5-F7-EO环形接近开关TZNBN5-F7-EO
产品详情
NBN5-F7-EO环形接近开关TZNBN5-F7-EO6mm/10mm/15mm/21mm多种感应孔径,具有动态和静态的两种工作原理.
高分辨率:即使直径为0.6mm的小钢球都能被可靠的检测,特别快速的反应时间0.2ms通过电位计可设定脉冲延长和灵敏度.带线和接插件,常开常闭功能可选.
环形传感器适合适合用于自动化输送系统上金属零部件检测,如弹簧螺丝等BNX。此传感器分辨率高、响应时间短等特点。

分辨率高
响应时间短
灵敏度可调节
抗污染
防护等级高
插头连接
静态工作的传感器
与电感式接近传感器的工作原理一样,只要金属处于监测范围内,传感器就可以产生一个持续的输出信号.因而,该传感器可以用于监控送料过程中坠落的螺钉或堵塞状态.动态工作的传感器适用于监测特别细小的部件.传感器的输出在期间产生一个短暂的脉冲,该脉冲在0.1和150ms之间可设,即使管子上出现金属污垢,传感器仍可以长时间保持很高的分辨率.
产品图片

展开全文
产品参数
产品型号 KJT-T6
直径 φ6mm
安装方式 非齐平
出线方式 引线式
检测距离 6mm
额定/性能 DC 2 Wire
工作电压 10-36VDC(Ripple<10%)
无负载电流 <1.8mA
适合大负载电流 <100mA
漏电流 <1.8mA
适合小负载电流 3mA
电压降 <6v at 100mA
开关频率 2.5KHZ
开关磁滞 15%
重复精度 <2% of Ratad Operating Distance
防护等级 IP67
工作温度 -25℃-+70℃
温度漂移 ±10%(Sr)
适合小检测物体 D=3mm L=6mm
反极性保护 YES
短路保护 YES
过载保护电流 120-150mA
EMC RFT>3V/m / EFT>1KV;ESD>4KV(contact)
振动冲击 IEC 60947-5-2.part7.4.1 IEC 60947-5-2.Part7.4.2
外壳材质 PBT
Led显示 YES
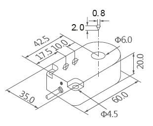
产品尺寸图

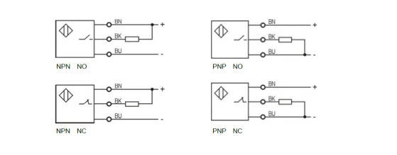
产品接线图

公司简介
南京凯基特电气有限公司位于长三角六朝古都南京市BNX。依托于高校技术和自主研发,凯基特已经发展成为一家专业从事自动化工控产品研发、生产、销售的国家高新技术企业。公司拥有20多项发明和实用新型专利,同时荣获”民营科技型企业”,“中小型科技型企业”、“国家高新技术企业”。公司在泰国、河北、重庆、山东等地成立办事处,产品远销东南亚、欧洲、非洲、美洲等市场。
质量标准
凯基特在不断发展扩大的同时,对产品质量制定严格标准,NBN5-F7-EO环形接近开关TZNBN5-F7-EO已通过ISO9001:2015国际质量管理体系认证,所有产品均已通过CE认证,确保产品性能和质量达到国际同类产品的先进水平,在行业处于领先地位BNX。
行业应用
凯基特产品包含各类工业自动化传感器、工业安全产品、测量产品、无线传输装置等,广泛应用于航空航天、航海、铁路、邮电、通讯、电梯、纺织、石油化工、矿山、冶金、机床、机械、烟草、包装、印刷、食品、计量、办公、家电等行业,促进自动化工业的发展BNX。
工业安全保护专家
——专业的工业安全解决方案提供商






评论